Demco Templates Disc Hubs Remove Circle Drawing

Page 1

eight/eleven

AG20016, Rev 13

Page two

GENERAL INFORMATION

1. Unless otherwise specified, high-strength (grade5)

(3 radial-line head markings) he10 head commoditiess are used

throughout assembly of this piece of equipment.

2. Whenever terms "LEFT" and "RIGHT" are used in

this transmission it means from a position behind carriage

box and facing forward.

3. When placing a parts order, refer to this transmission for

proper part numbers and place order by PART NO.

and Description.

iv. Read assembly instructions advisedly. Study

assembly procedures and all illustrations before

you brainstorm assembly. Annotation which parts are used in

each step. This unit must be assembled in proper

sequence or complications will result.

WestARNING: TO AVOID PERSONAL INJURY OR DEATH, OBSERVE FOLLOWing

INSTRUCTIONS:

Ensure that anybody present is clear before applying power to whatsoever machinery

used in conjunction with grain cart or when moving grain cart.

Never allow any1 in, most, or on grain cart during transporting or unloading of

grain. Moving grain is dangerous and can cause entrapment, resulting in severe

injury or death by suffocation.

Do not exceed twenty miles per hour when towing grain machinet.

Thank you for purchasing a Demco Grain Automobilet. We feel you have made a wise pick and hope

yous are completely satisfied with your new piece of equipment. Proper care and use volition result in

many years of service.

INTRODUCTION

Table of Contents

Full general information, Table of Contents ............................................................................... two

Warranty Registration .........................................................................................................3-4

Safety, Indicate Words ........................................................................................................... 5

Equipment Safety Guidelines, Lighting and Marking .......................................................... six

Safety Sign Care, Tire Safe .............................................................................................. seven

Before Operation ................................................................................................................. 8

During Operation ................................................................................................................8-nine

Following Performance ............................................................................................................ 9

Highway and Transport Operations ...................................................................................9-10

Performing Maintenance .................................................................................................... 11

Safety Sign Locations ......................................................................................................12-13

Commodities Torque ......................................................................................................................... xiv

Beam Assembly and Parts Breakdown ................................................................................ 15

Auger Associates and Parts Breakdown .............................................................................. 16

Adaptable Discharge Chute Option Parts Breakup ....................................................... 17

Grain Cart Assembly and Parts Breakdown .....................................................................xviii-19

650 Bushel Extensions Assembly and Parts Breakup ................................................... xx

750 Bushel Extensions Associates and Parts Breakdown ................................................... 21

Hydraulics Assembly and Parts Breakup ....................................................................... 22

Optional Hydraulic Blocone thousand Schematic .................................................................................. 23

Lighting Associates and Parts Breakup ........................................................................... 24

Scale Option and Parts Breakup ................................................................................... 25

PTO Drive Shaft Breakdown .............................................................................................. 26

Hydraulic Drive Assembly and Parts Breakup ............................................................... 27

Window Assembly and Door Lift Assembly Breakdown ..................................................... 28

Grease and Lube Instructions ............................................................................................ 29

Inner Door Maintenance, Gear Box Lube Instructions ....................................................... 30

Grain Cart Checklist, Tire Inflation ..................................................................................... 31

Page 3

How satisfied are you with our product? g one thousand mm

How satisfied are you with the dealership/benefactor sales staff? g k mm

Dealer/Distributor Name City Southwardtate

How satisfied are you lot with the visitor sales staff? g m mm

How satisfied are you lot with the delivery? m m mm

Did y'all accept any contact with a Demco Representative? Aye NO

If Yep, how satisfied were you? k m mm

I would recommend this product to my family and friends. YES NO

Would you purchase again from DEMCO? YES NO

Since taking delivery, have you been contacted by the dealer? Aye NO

Did yous take whatever problems with this DEMCO production? YES NO

If YES, are you satisfied with the company'southward resolution of your problem? chiliad m mm

Delight list the specific source of information prompting this purchase.

Later on purchasing this product, do yous encounter whatsoever needed product improvement? If yes, what improvement?

What othursdayer productsouthward westwardoufiftyd you like to see DEMCO offdue eastr?

Commentsouth

Owner's Proper noun:

Mailing Address:

Metropolis:

State:

Zip Code:

Model#:

Series #:

Purchase Date:

Owner's Signature:

Delight return to DEMCO Past FAX or tri-folding this foryard to the backside, it is pre-addressed.

Ag m

RV thou

Rental g

Brakes thou

Marine m

Warranty Registration

4010 320th Street • Box 189 • Boyden, Iowa 51234

Toll Free 800-54DEMCO (800-543-3626) • FAX 800-845-6420

www.demco-products.com

Very

Satisfied Satisfied

Very

Dissatisfied

Dissatisfied

Page 4

Postage

Demco

4010 320th Street, Box 189

Boyden, Iowa 51234

Phistoric period 5

SAFETY

TAKE NOTE! THIS Safety ALERT SYMBOL Constitute THROUGHOUT THIS

MANUAL IS USED TO CALL YOUR ATTENTION TO INSTRUCTIONS INVOLVING

YOUR PERSONAL Prophylactic AND Safety OF OTHERS. FAILURE TO FOLLOW

THESE INSTRUCTIONS CAN RESULT IN INJURY OR DEATH!

THIS SYMBOL MEANS

ATTENTION

BECOME ALERT

YOUR SAFETY IS INVOLVED!

DAcrimony:

Indicates an imminently hazardous state of affairs that,

if not afiveoided, will result in death or serious injury.

This signal give-and-take is to be express to most extreme

situations typically for machine components which,

for functional purposes, cannot exist guarded.

WARNING:

Indicates a potentially chancy situation that, if

not avoided, could outcome in decease or serious injury,

and includes hazards that are eastxposed when

guards are removed. It may also exist used to alert

against unsafeastward practices.

CAUTION:

Indicates a potentially hazardous situation that,

if not avoided, may result in minor or moderate

injury. Information technology may as well be used to alert confronting unsafe

practices.

If you ha5e questions not answered in this manual, requireastward add togetheritional copies, or if your manual is damaged,

please contact your dealer or Demco, P.O. Box 189, 4010 320th Street, Boyden, IA 51234

ph: (712) 725-2311 or Toll Free: i-800-543-3626 Fax: (712) 725-2380

http://www.demco-products.com

Betoken WORDS:

This manual uses of the following betoken words--

DANGER, Due westARNING, and CAUTION-- with safety

messages. The appropriate betoken word has been

selected using the following guidelines.

Phistoric period 6

SAFETY...YOU Can LIVE WITH It

EQUIPMENT Condom GUIDELINES

Every year many accidents occur which could have been avoided by a few seconds of

idea and a more careful approach to handling equipment. You, the operator, can avoid

many accidents by observing the following precautions in this section. To avoid personal

injury, report the following precautions and insist those working with you, or you yourself,

follow them.

In order to provide a better view, certain illustrations in your owners manual may show an

assembly with a safety shield removed. Howeastver, equipment should never be operated in

this condition. One thousandeep all shields in place. If shield removal becomes necessary for repairs,

replace shield prior to use.

Supercede any circumspection, warning, danger or instruction safety decal that is non readable or is

missing.

Practise not endeavour to operate this equipment under the influence of alcohol or drugs.

Review safety instructions with all users annually.

Operator should exist a responsible adult. DO NOT ALLOW PERSONS TO OPERATE

OR ASSEMBLE THIS Unit UNTIL THEY HAVE DEVELOPED A THOROUGH

UNDERSTANDING OF Safe PRECAUTIONS AND HOW IT WORKS.

To prevent injury or death, use a tractor equipped with a roll over protectivdue east organization (ROPS).

Do not paint over, removeastward, or deface whatever safety signs or warning decals on your equipment.

Obserfivee all safety signs and practice instructions on them.

Never exceed limits of a slice of machinery. If its power to practise a job, or to do so safely is in

question DON'T TRY It.

LIGHTING AND Marking

It is the responsibility of customer to know lighting and marking requirements of local highway

authorities and to install and maintain equipment to provide compliance with regulations.

Add together extra lights when transporting at night or during periods of limited visibility.

Lighting kits are available from your dealer or from manufacturer.

Page vii

SAFETY SIGN Care

• Yardeepsafetysignscleanandlegibleatalltimes.

• Supplantsafetysignsthataremissingorhavdue eastbecomeillegible.

• Replacementpartsthatdisplayedasafetysignshouldtoodisplayelectric currentsign.

• Safetysignsareavailablefromyourdistributor,dealerpartsdepartment,orfactory.

How to install safety signs:

• Besurethatinstallationexpanseiscleananddry.

• Decideonexactpositionbeforeyouremovebackingpaper.

• Removesmallestportionofsplitbackingpaper.

• Aligndecaloverspeciedexpanseandcarefullyprintingmodestportionwithexposedsticky

backing in identify.

• Slowlypeelbackremainingpaperandadvisedlysmoothremainingportionofdecalinto

identify.

• Pocket-sizedairpocketstin canexistpiercedwithapinandsmoothedoutusingpieceofdecal

backing newspaper.

TIRE Rubber

• Failuretofollowproperprocedureswhenmountingatireonarimtin canproducean

explosion which may result in a serious injury or expiry.

• Exercisenotattempttomountatireunlessyouhaveproperequipmentandeastwardxperienceto

do job.

• Inatingorservicingtirescanbedangerous.Wheneverpossible,trainedpersonnel

should be called to service and/or mount tires.

• Alwaysorderandinstalltiresandwheelswithadvisabletypeandloadcapacitytorun into

or eastxceed predictable weight to be placed on the equipment.

• NEVER exceed 40 psi tire inflation when using truck tires on gravity flodue west wagons.

• Referto"TIRE INFLATION Chart" in your owners transmission for maximum tire force per unit area

for a Demco Grain Motorcart.

Remember

Your best assurance against accidents is a careful and responsible operator. If in that location is any

portion of this manual or function yous do not understand, contact your local authorized dealer

or manufacturer.

Page viii

Earlier OPERATION:

• CarefullyreportandunderstandthistransmissionandtheOwner'southManual.

• Donotwearloose-ttingclothingwhichmaycatchinmovingparts.

• Alwaysclothingprotectivevestureandsubstantialshoes.

• Itisrecommendedthatsuitableprotectivdue easthearingandeastydue eastprotectionbeworn.

• Operatormaycomeincontactwithcertainmaterialswhichmayrequirespecicsafety

equipment relativeastward to handling of such materials. (Examples: extremely dusty, molds,

mucus, bulk fertilizers, etc.)

• Keepcycleandlugnutstightenedtospeciedtorque.

• Assurethatagriculturalimplementtiresareinatedevenly.

• Giveunitavisualinspectionforanyloosebolts,wornparts,orcrackedwelds,andmake

necessary repairs. Follow maintenance safety instructions included in this manual.

• Besuretherearenotoolslyingonorinequipment

• Practicenonutilizeunit of measurementuntilyou lotaresurethatsurface areaisclear,especiallyaroundchildrenandanimals.

• Don'thurrylearningprocedureortakeunitforgranted.Easeintoitandgofamiliar

with your newest equipment.

• Doperformanceofyourequipmentanditsattachments.Completelyfamiliarizeyourself

and other operators with its operation before using.

• Makesurethatbrakesareevenlyadapted(ifequippedwithbrakes)

• UseatractorequippedwithCurlicueOverProtectionSystem(ROPS)andfastenyourseatbelt

prior to starting the engine.

• ManufacturerdoesnotrecommendusageofatractorwiththeROPSremo5ed.

• Moveasttractorwheelstowidestrecommendedsettingstoincreasestability.

• Dononpermitanyonetostandbetweentongueorhitchandtowingvehiclewhenbackingup

to equipment.

DURING OPERATION

• Bewareofbystanders, PARTICULARLY CHILDREN! Always look around to make sure that it

is rubber to start engine of towing vehicle or move unit. This is particularly important with higher

noise levels and serenity cabs, as you may not hear people shouting.

• NO PASSENGERS ALLOWednesday- Practice non carry passengers anywhere on or in trplayer or

equipment.

• Keephandsandclothingclearofmovingparts.

• Donotclean,lubricate,orsuityourequipmentwhileitismoving.

Page 9

• Whenhaltingperformance,eastwardvenperiodically,gear uptractorortowingvehiclesbrakes,disengagePTO,

shut off engine, and remove ignition key.

• Existespeciallyobservpismireofoperatingareaandterrain.Watchforholes,rocks,orotherhidden

hazards. Always inspect area prior to operation.

- DO NOT operate most edge of drop-off or banks.

- Practice NOT operate on steep slopes every bit overturnorth may consequence.

- Operate up and practicewn (non across) intermediate slopes. Avoid sudden starts and stops.

• Pickthenearlevelpossibleroadwhentransportingacrosselds.Avoidedgesofditches,

gullies, and steep hillsides.

• Beextraconscientiouswhenworkingoninclines.

• Maneuvertractorortowingvehicleatsafespeeds.

• Avoidoverheadwiresorotherobstacles.Contactwithoverheadlinescouldcrusadeseriousinjury

or death.

• Avoidloosegravel,rocks,andholes;theytinbedangerousforequipmentfunctioningor

movement.

• Allowforunitlengthwhenmakingturns.

• Practicenotwalkorworkunderraisedcomponentsorattachmentsunlesssecurelypositionedand

blocked.

• One thousandeepallbystanders,pets,andlivestockarticulateofworkarea.

• Operatetoflyvehiclefromoperatorsseatonly.

• Ne5erstandaslopeofunitwithenginerunningorattempttostartengineand/oroperate

machine while standing alongside of unit of measurement.

• Ne5erleaveastwardrunningequipmentunattended.

• Asaprecaution,alwaysrecheckhardwareonequipmentfollowingevery100hoursof

performance. Correct all bug. Follow maintenance safety procedures.

FOLLOWING OPERATION

• Followingoperation,orwhenunhitching,stoptractorortowing5ehicle,gear upbrakes,shutoff

engine and remove ignition key.

• Storeunitinanareaawayfromhumanactivity.

• Dononparkequipmentwhereitwillbeexposedtolivestockforlongperiodsoftime.

Impairment and livestock injury could upshot.

• Practicenotpermitchildrentoplayonoraroundstoredunit.

• Makecertainallparkedmachinesareonadifficult,levelsurfaceandengageallsafetydevices.

• Wheelchocksmaybeneededtopreventunitfromrolling.

Page x

HIGHWAY AND TRANSPORT OPERATIONS

• Adoptsafedrivingpractices:

- Chiliadeep brake pedals latched together at all times. NEVER Use INDEPENDENT BRAKING

WITH MACHINE IN TOWestward, LOSS OF CONTROL AND/OR UPSET OF Unit of measurement CAN RESULT.

- Always driveastward at a safe speed relative to local conditions, ensure that your speed is low

enough for an emergency stop. Chiliadeep speed to a minimum.

- Reduce speed prior to turns to avoid risk of overturning.

- Always continue tractor or towing vehicle in gear to provide engine braking when going

downhill. Do not coast.

- Practise non drink and drive!

• Complywithstateandlocallawsgetverninghighwaysafetyandmovementofsubcontract

machinery on public roads.

• Useapprovedaccessorylighting,agsandnecessarywarningdevicestoprotectoperatorsof

other 5ehicles on highway during transport. Fivearious safety lights and devices are available

from your dealer.

• Useofashingbisterlightsisacceptableinmostlocalities.Howeastver,somelocalitiesprohibit

their use. Local laws should be checone thousanded for all highway lighting and marrex requirements.

• Whendrivingtractorandequipmentonroadunder20m.p.h.(40kph)atnightorduring24-hour interval,

use flashing amber alarm lights and a slow moving 5ehicle (SMV) identification emblem.

• Planyourroutetoavoidheavytrafc.

• Existasafeastandcourteousdriver.Alwaysyieldtooncomingtrafcinallsituations,including

narrow bridges, intersections, etc.

• Beobservantofbridgeloadratings.Dononcrossbridgesratedlowerthangrossweight

at which y'all are operating.

• Safe Bondage: If equipment is going to be transported on a public highway, always

follow land and local regulations regarding safety chains and auxiliary lighting. Be sure

to cheque with local lawest enforcement agencies for your own particular regulations.

Only safety bondage (non elastic or nylon/plastic tow straps) should be used to retain

connection between towing and towed machines in event of separation of primary attaching

system.Utiliseahighstrength,appropriatelysizedhitchpinwithamechanicalretainerand 

adhere safety bondage. Criss cross chains under tongue and secure to draw bar cage,

mounting loops, or bumper frame.

Phistoric period 11

• Watchforobstructionsoverheadandsidetosidewhiletransporting.

• Alwaysoperateequipmentinapositiontoprovidemaximumvisibility.Makeallowancesfor

increased length and weight of equipment when making turns, stopping unit, etc.

• Goodmaintenanceisyourresponsibility.Poormaintenanceisaninvitationtotrouble.

• Makecertainthereisplentyofventilation.Neveroperateengineoftowingvehiclein

a closed edifice. Frazzle fumes may crusade asphyxiation.

• Beforeworkingonthisauto,terminatetowingvehicle,readybrakes,shutoffengine

and remove ignition key.

• Alwaysemploycondomback upandblockwheels.Neverutilizeajacktosupportmachine.

• Alwaysutilisepropertoolsorequipmentforjobathand.

• Useextremecautionwhenmakingadjustments.

• Followtorquechartinownersmanualwhentighteningboltsandbasics.

• Ne5eruseyourhandstolocateahydraulicleakonattachments.Useasmallpieceof

cardboard or wood. Hydraulic fluid escaping under pressure tin penetrate skin.

• Openingsinskinandminorcutsaresusceptibletoinfectionfromhydraulicuid.

Without firsthand medical treatment, serious infection and reactions can occur.

• Whendisconnectinghydrauliclines,shutoffhydraulicsupplyandrelieveallhydraulic

pressure.

• Replaceall shields and guards after servicing and before moving.

• Subsequentlyservicing,besurealltools,partsandserviceequipmentareremoved.

• Donotallowgreaseoroiltobuilduponanystepsorplatform.

• Whenreplacingbolts,refertoownersmanual.

• Refertocommoditiestorquechartinownershuman beingualforcaputidenticationmarmale monarch.

• Wherereplacementpartsarenecessaryforperiodicmaintenanceandservicing,

genuine factory replacement parts must be used to restore your equipment to original

specifications. Manufacturer will non claim responsibleness for use of unapproved parts

or accessories and other amercement equally a issue of their use.

• Ifequipmenthasbeenalteredinanywayfromoriginalpattern,manufacturerdoes

not have any liability for injury or warranty.

• Areextinguisherandrstaidkitshouldbekeptreadilyaccessiblewhileperforming

maintenance on this equipment

PERFORMING MAINTENANCE

Page 12

Rubber SIGN LOCATIONS

Types of safety sign and locations on equipment are shown in illustration below. Good safety

requires that you familiarize yourself with various safety signs, type of warning, and expanse or

particular function related to that expanse, that requires your Rubber AWestARENESS.

#1 DANGER - Do not enter grain tank when auger is running!

#2 DANGER - Keep off ladder while car is being moved or in operation!

#3WestARNING- Readandunderstandtheoperator'southwardmanual!

#4 WestARNING - Keep hands and clothing away from moving parts!

#5 DANGER - Never play in or on grain! Farm safe just four kids!

#half dozen DANGER - Electrocution tin occur without direct contact with power lines !

#7 WARNING - Read manual, grandeep all shields in place, cleaning or clearing

a chock-full machine, keep hands, feet, and clothing away,

practice non stand or climb on machine, no riders!

#8 Due westARNING - Avoid actual injuries from hydraulic oil under pressure.

#1

#4

#vii

#6

#v

#3

#2

#eight

#fourteen

#15

#16

#17

Phistoric period xiii

#9

#xi

#ten

#12

#13

#sixteen

#16

# 9 DANGER - This decal is on pto shaft, Guard is missing exercise non operate!

#x DANGER - Pinch- betoken continue easily and clothing away from moving parts!

#11 WARNING - Keep all persons and objects articulate while any part of

this machine is in motion!

#12 DAnger - Electrocution tin can occur without direct contact with power lines!

#13 DANGER - Rotating driveline!

#14 WARNING - Do not exceed 20 mph when tofly the grain cart!

#fifteen Due westARNING - Local and state weight restrictions and regulations may affect utilize

of this equipment on public roads and highways!

Decal Kit - Decals #i-#15 are available as a kit.

Decal gild northumber

AG21064

SAFETY SIGN LOCATIONS

Types of safety sign and locations on equipment are shown in illustration below. Good safety

requires that you lot familiarize yourself with diverse condom signs, type of warning, and area or

particular part related to that area, that requires your SAFETY AWARENESS.

#sixteenCAUTION- Chequeallwheelnuts.DealerorManufacturerarenotresponsiblefordamage

caused past loose wheel nuts. (AG21127, Qty two)

This decal is not part of the decal kit.

#17 WARNING - For increased lifdue east of the tracm system & grain cart, avoid sharp turns.

(AG21185, Qty 1) This decal is not part of the decal kit.

Page fourteen

BOLT TORQUE

TORQUE DATA FOR STANDARD Basics, BOLTS, AND CAPSCREWS.

Bolt Torque for Standard bolts *

GRADE ii Course 5 Form viii

"A" lb-ft (N.m) lb-ft (N.m) lb-ft (N.m)

1/4" 6 (8) 9 (12) 12 (sixteen)

5/16" 10 (xiii) 18 (25) 25 (35)

three/8" xx (27) thirty (forty) 45 (60)

7/sixteen" xxx (40) fifty (lxx) fourscore (110)

1/2" 45 (sixty) 75 (100) 115 (155)

9/16" 70 (95) 115 (155) 165 (220)

5/8" 95 (130) 150 (200) 225 (300)

3/4" 165 (225) 290 (390) 400 (540)

vii/eight" 170 (230) 420 (570) 650 (880)

ane" 225 (300) 630 (850) 970 (1310)

Torque figures indicated are valid for

not-greased or non-oiled threads and

heads unless otherwise specified.

Therefore, exercise not grease or oil bolts or

capscrews unless otherwise specified

in this transmission. When using locking

elements, increase torque fivealues

past 5%.

* Class or Course value for bolts

and capscrews are identified by their

head markings.

Torque Specifications

Course 8.8 Form ix.8 CLASS x.nine

"A" lb-ft (N.m) lb-ft (N.m) lb-ft (Northward.one thousand)

6 9 (thirteen) 10 (fourteen) thirteen (17)

7 15 (21) eighteen (24) 21 (29)

8 23 (31) 25 (34) 31 (42)

ten 45 (61) 50 (68) 61 (83)

12 78 (106) 88 (118) 106 (144)

14 125 (169) 140 (189) 170 (230)

16 194 (263) 216 (293) 263 (357)

18 268 (363) -- -- 364 (493)

twenty 378 (513) -- -- 515 (689)

22 516 (699) -- -- 702 (952)

24 654 (886) -- -- 890 (1206)

Commodities Torque for Metric bolts *

GRADE-2 GRADE-5 GRADE-8

8.8 10.ix

9.8

Grade 8.8 CLASS nine.8 Course 10.ix

Page xv

AXLE ASSEMBLY

1

2

4

5

6

8

9

12

16

18

14

11

iii

17

twenty

xix

10

15

vii

Pleevery biteastward order rdue eastplacement parts by PFine art NO. and DESCRIPTION.

5

8

9

550 Bu. Cart with

and without the

scale option, and

the 650/750 with the

scale option uses 2

Washers (item # 11)

21

13

NOTE: 10, eleven, and 12

are not included with

a replacement hub

5540 two 650-750 Bu. Hub Assembly(Incfiftyudeastwards itegrands14-20)

xiv. 09448 1 Outer Begetting Race

15. 09450 1 Outer Bearing

16. 09449 1 Inner Bearing

17. 09452 ane Inner Grease Seal

18. 09447 1 Inner Begetting Race

19. 09451 1 Dust Cap

xx. 04305 4 5/16-18UNCtenane/2"HexHeadBolt(Gr.5)

21. 07435 20 three/4"-sixteenUNFLugNut

22. 09532 one Hub Cap Gasket

5573 ii 550 Bu. Hub Associates (Includes items14-20)

14. 07360 one Outer Bearing Race

15. 07358 i Outer Bearing

16. 09054 i Inner Bearing

17. 09055 1 Inner Grease Seal

xviii. 09053 one Inner Bearing Race

xix. 07362 1 Dust Cap

twenty. 04305 4 v/xvi-eighteenUNCten1/2"HexHeadBolt(Gr.5)

21. 07435 20 three/4"-xviUNFLugNut

22. 09532 1 Hub Cap Gasket

Ref. Function # QTY. DESCRIPTION

1. 09667-30 1 Fixed 120" Axle (550 Bu.)

-09151-30 i Fixed 120" Axle (650 Bu.)

-09668-30 1 Stock-still 120" Axle (750 Bu.)

ii. 09205-xxx 1 Adjustable Axle (550-650 Bu.)

-09684-xxx 1 Adjustable Beam (750 Bu.)

3. 09672-30 2 Axle Insert (550 Bu.)

-09206-30 2 Axle Insert (650-750 Bu.)

4. 09051 2 Spindle (550 Bu.)

-09204 2 Spindle (650-750 Bu.)

5. 09214-30 two Axle Clamps

half dozen. 00943 2 five/8"-xiUNCx5-1/two"HexHeadBolt(550Bu.)

-04836 ii5/8"-11UNCx7"HexHeadBolt(650-750Bu.)

7. 02587 2 5/viii-xiUNCNylonInsertLocknut

8. 11613 8 1/2"-xiiiUNCx3"HexHeadBolt(Gr.eight)

9. 02178 8 1/2"-13 Nylon Insert Locknut

10. 09173 2 1-1/4"-12UNFSlottedHexNut(550)

-09445 2ii"-12UNFCastleNut(650-750)

11. 07354 ii 1-5/16" ID x 3" OD 10 3/16" Washer (550)

-09444 2 2-1/16" ID ten 4" OD 10 one/iv" Washer (650-750)

12. 05088 2 1/4" 10 ii" Cotter Pin (550)

-09446 2 3/8" 10 3" Cotter Pin (650-750)

thirteen. 07861 - Replacement Stud bolt (550-750)

22

Page 16

AUGER ASSEMBLY

2

5

35

25

36

36

eight

42

46

47

50 51

49

51

49

51

44

45

43

24

3

4

16

17

48

eleven

xiv

15

thirteen

16

18

41

20

17

eleven

21

22

23

27

25

26

28

29

30

1

31

10

34 32

ix

33

REF. PART

NO. NO. QTY. DESCRIPTION

7

xv

29

30

31

35

35

one. 12663-? 1 Outer Auger Tube

2. 12565-30 one fourteen" Outer Auger Assembly

3. 09382 1 Flange Bearing

4 . 09168 4 UpperAugerLeap

5. 11986 1 1-1/4"-12UNFHe10Nut

6. 04642 5 1/4" Self Tapping Grease Zerk

7. 00789 vi 3/8"-16UNCx3/8"SocketHeadSetScrew

8. 09436 four seven/sixteen"-14UNC104-1/2"hexHeadCommodities

9. 02771 4 7/xvi"-14 Nylon Insert Locknut

x. 07924 1 Gear Box

11. 01254 10 1/ii"-xiiiUNCxane-1/2"HexHeadCommodities(Gr.5)

12. 00084 8 1/two" Lockwasher

13. 09193-30 1 Lower Bulldoze

14. 12567-xxx 1 Lower Auger

xv. 09203 2 Slide Rod

16. 00523 2 three/8"-16UNCxane-ane/iv"He10HeadBolt(Gr.5)

17. 02592 two 3/8"-16 Nylon Insert Locknut

xviii. 11099 1 iii/4"-10UNCx5"HexHeadCommodities(Gr.8)

20. 09185 1 2" Hanger Bearing

REF. PART

NO. NO. QTY. Clarification

7

38

11

7

Please order reastplair conditioningement parts by PArt NO. and Description.

Painted Parts are available in Red or Light-green. Add -10 behind the

part number for red, -xx backside the part number for dark-green, and

-42 behind the part number for blue.

12

12

37

6

6

six

39

forty

41

21. 09195-thirty ane Hanger Bearing Mountain

22. 09196-30 i Hanger Begetting Plate

23. 07412 ane i-1/4"-12UNFJamNut

24. 00085 4 1/ii" Flatwasher

25. 02178 iii ane/two"-thirteenUNCNylonInsetLocknut

26. 12233-30 1 Male Cast Auger Connectedness

27. 09199-30 ane Guess Rod

28. 11771-30 one Inner Door

29. 03738-95 two 1" Dia. x three" Cylinder Pivot

30. 00116 4 5/32" x ane-1/2" Cotter Pin

31. 05195 2 StraightHyd.Ftg.3/8"MPTxfive/16"JIC

32. 09930-30 1 2-1/2" Cylinder x 30" Stroke

- 5584 - Hydraulic Cylinder Seal Repair Kit (not shown)

33. 00640 ane 1/2"-13UNCHexHeadJamNut

34. 05191 2 36" Hydraulic Hose

35. 09172 2 3/8"JICBulkheadFtg.45°ElbowDue west/Nut

36. 01923 2 1/iv"-20UNCX1/4"SocketHeadSetScrewestward

37. 05089 N/A 1 1/4" Auto Washer NR

38. 09741-thirty 1 Adjustable Cylinder End

39. 12188 1 Female Bandage Auger Connection

40. 10525 i three/iv"-10UNCx6"HexHeadBolt(Gr.8)

41. 02961 2 3/4"-10UNCNylonInsertLocknut

42. 09437 1 Discharge Low-cal

43. 12555-30 1 Low-cal Bracket

44. 01899 two 3/eight"-16UNCx3/4"HexHeadBolt(Gr.five)

45. 00060 2 iii/8" Lockwasher

46. 12526 1 Discharge Chute, Left

47. 12527 i Discharge Chute, Right

48. 12679-xxx 1 Discharge Chute Bulldoze Ring

49. 02990 24 5/xvi"UNCxi"He10HeadCommodities(Gr.v)

fifty. 02802 24 5/16"UNCNylonInsertLocknut

51. 00004 38 v/16" Flat Washer

52. 13640-95 1 Gearbox Collar

53. 00789 1 3/8" x iii/viii" Set Screw

53

52

Page 17

SuitABLE Discharge OPTION

REF. PART

NO. NO. QTY. Description

REF. PArt

NO. NO. QTY. DESCRIPTION

Please order reastwardplacement partdue south by PFine art NO. and DESCRIPTION.

1. 12549-30 4 Ring Retainer Bracket

2. 12550 4 Ring Retainer Bracket Spacer

3. 00914 8 three/8"UNC10ii/2"HexHeadBolt(Gr.five)

4. 05290 1 1/ii"UNCx3ane/four"HexHeadBolt(Gr.five)

5. 12513-xxx 1 Trolley Lesser

6. 12522-30 1 Hydraulic Cylinder

vii. 00482 1 1/2"UNCxiiii/iv"HexHeadBolt(Gr.5)

8. 02178 vii one/2"UNCNylonInsertLocknut

9. 01899 13 3/8"UNCx3/4"HexHeadBolt(Gr.5)

ten. 00060 vii 3/8" Lockwasher

xi. 09218-95 vii 2 Identify Hose Keeper

12. 12684-30 1 Hydraulic Cylinder Mount

xiii. 12514-95 1 Trolley Spacer

14. 12512-xxx 1 Trolley Top

xv. 09283 5 Bushing

sixteen. 09282 5 Plastic Sheave

17. 12531-95 v Cable Retainer Washer

18. 01253 2 1/2"UNCxii"He10HeadBolt(Gr.5)

19. 02592 8 three/8"UNCNylonInsertLocknut

20. 12551-95 8 Retainer Bracket Bushing

21. 12691 1 Long Cable

22. 12692 i Short Cable

15

sixteen

17

18

12

2

1

3

15

16

17

xviii

14

13

half dozen

7

xi

11

10

ten

9

ix

5

four

8

8

9twenty 19

See page sixteen for discharge

chute part numbers

21

22

REF. PART

NO. NO. DESCRIPTION

5. 13966 Race

6. 13967 Begetting

vii. 13972 Seal

8. 13971 Seal, End Cap

10. 13973 Plug, 1/2"

11. 13974 Plug, i/4"

13. 13975 Plug, 1/8", Vent

six/27/11

D

C

B

A

A

B

C

D

one

ii

iii

four

iv32one

SCALE DO Not SCALE Drawing Canvas

REV

Office NO.SIZE

CD

SUPERIOR GEARBOX COMPANY

P.O. BOX 645 STOCKTON, MO 65785

DFTR

CHKR

ENGR

MFG

QC

Date

DATE

DATE

Appointment

DATE

UPDATE TO SOLIDWORKS

STAMP PART NUMBER AND LOT NUMBER IN AREA SHOWN

2 TORQUE 3/eight-16 BOLTS (ITEM nine)TO 3v-xl FT LBS

ane. GEAR RATIO IS ane.6:1 REDUCER

NOTES:

Engagement

-REMOVE ALL BURRS AND BREAK

PERMISSION OF THE OWNER

SHARP EDGES

-MACHINED SURFACES SHALL Be 125 µ IN.

Not BE REPRODUCED, USED OR

.XX ±.03 .30 ±.015 ANGLES ±

UNLESS OTHERWISE NOTED

aneOF 1

ASSY, GEARBOX H1xxx

H61AES-001-A (2454)

M. HSick

-

Third Bending PROJECTION

REV DESCRIPTION Appointment APPROVED

REVISIONS

F. WARE

-

Thousand. HARPER

-

-

-

seven/14/ix5

seven/xiv/ixv

DISCLOSED WITHOUT WRITTEN

Cloth:

-THREAD DEPTH CALLOUTS INDICATE

DEPTH OF Total THREADS

-DIMENSIONAL LIMITS Utilize AFTER

FINISH OR Rut Treat

THIS DRAWING CONTAINS INFORMATION

3

1:1

Come across SEPARATE BILL OF Fabric

7/12/9v

D

THAT IS PROPRIETARY AND CONFIDENTIAL

AND THE EXCLUSIVE PROPERTY OF

SUPERIOR GEARBOX COMPANY AND MAY

DIMENSIONS ARE IN INCHES

TOLERANCES

-INTERPRET DIMENSIONS AND TOLERANCES

IN Accordance WITH ASME Y14.5M -1994

J. CLARK

ii 7X

2

1

10

v

6

3

6

5

eight

v

six

iv

6

5

xiv

8

nine

11

eleven

12

13

7

3

seven

DEMCO Replacement Parts for Gearboten

# 07924

Pleequallye order reastwardplacement parts by PArt

NO. and DESCRIPTION.

GEARBO10 BREAKDOWN

Page 18

For Axle Breakdown See Phistoric period 15

ane

7

5

ninexiii

15

17

iv

38

10

3

xvi

12 nineteen

821

21

39

26

25

29

27 28

20

23

54

18

37

38

55

40

41

42

31

32

33

34

36

35

43

44

45

46

47

49

38

53

2

22

14

58

41

11

38

vii

8

24 24

35

half-dozen19

36

36

6

19

19

6

20

45

fifty

60

59

51

52

47

fourteen

48

GRAIN AutoT PARTS BREAKDOWN

For Auger Breakdown Run across Page 16

For Extension Breakup See Page 20 and 21

For PTO Breakdown

See Page 26

For Hydraulic Drive

Option Run across Page 27

For Door Lift

Breakup

See Page 28

For Window

Installation

See Phistoric period 28

19

56

NOTE: Be certain to

torque all lugnuts

to 500 ft./lbs.

60

59

61

62

19

NOTE: Be sure to

inflate tires to the

recommended pressure

on the tire

19

57

half-dozen

Note: For Field Use, remove #11 clevis

hitch and flip #10 hitch over for maximum

hitch performance.

60

sixty

25

thirty

59

3

15

63

13

64

Page 19

REF. PART

NO. NO. QTY. Description

GRAIN CART ASSEMBLY AND OPERATION

WARNING: Be CERTAin ALL POWER

IS OFF WHEN CONNECTING PTO OR

HYDRAULIC LINES TO TRACTOR

• ConnectGrainCarttotractorusingapracticedquality

hitch pivot. Attach a safe chain. See Safety Manual.

• Attachpowertake-offshafttotractor.Chequetractor

drawbar and adjust to allow clearance.

• Heightenjackstandandplacetorearstorageposition.

• Brandsurenodebrisisinthegraincart.

• Attachhydrauliclinestotractor.

• Connectlightinghook-uptotractor.

LOADING AND UNLOADING GRAIN

• Withthegateindicatorintheclosedposition,llthe

bo10 with grain.

• WiththePTOdisengaged,extendauger.

• StartPTOataslow charge per unit of speed until the upper

and lower drives are engaged.

• IncreasePTOspeedandopen uptheinnergate

halfway. When grain begins to flow, open gate to

total position.

• Oncegrainstopsowing,returnorthwardgatetoclosed

position.

• DisengagePTOandallowittocometoaconsummate

end. Auger is nowest prepare to fsometime to stored position.

Exercise NOT PULL THE GRAIN CART UNLESS THE

AUGER IS IN THE STORED POSITION.

•Neverexceed1,000RPMonthearrangement.

• NeverfquondamorextendaugerunlessPTOiscompletely

stopped.

• Neverllgraincartunlessinnergateisairtight.

• Neverengageaugerwhensystemismovingata

high rate of speed.

• Neverpractisemaintenancedue westorkorservicemotorcartwhilethe

tractor is running.

Please order reastplacement partdue south past PArt NO. and DESCRIPTION.

Painted Parts are available in Cherry-red, Green or Blue. Add -10

behind the part number for crimson, -20 behind the part number for

dark-green, and -42 backside the part number for blueish.

ane. 13399 1 PTO Shaft (i.375-21 Spline)

- 13398 1 PTO Shaft (i.75"-20 Spline)

2. 13522 i Tapered Lock Pin, Replacement only

3. 11698 2 7/8"-9 NC x 5 one/2" Hex Head Bolt (Gr. 8)

4. 13400 i PTO Drive Shaft

v. 09159-thirty 1 PTO Shaft Baby-sit/Step

6. 00523 17 3/8"-16UNCten1-one/4"HexHeadBolt(Gr.v)

7. 01254 8 1/two"-xiiiUNCx1-1/2"Bolt(Gr.5)

8. 10633 2 Flange Bearing (35 mm, 4 bolt)

ix. 09455 3 one"-14UNFStoverLockNut

ten. 09163-30 1 Category 4 forged Hitch Base

11. 09164-30 1 1-1/4" Clevis Insert

12. 12404 1 Hitch Shaft

13. 09454 3 1"-14UNFx6-one/ii"HexHeadBolt(gr.8)

xiv. 00116 4 five/32" x 1-1/2" Cotter Pivot

15. 10678 two 7/eight"-9 NC Nylon Insert Locknut

16. 09157 i Pintle Band Mountain Pivot Collar

17. 09219-30 1 Jack

18. 05328 1 ane/two" ten 3" Brawl Lock Pin

19. 02592 27 iii/8-sixteenUNCNylonInsertLocknut

twenty. 00059 11 3/8" Flatwasher

21. 09499 6 Anti-skid Tape

22. 09160-30 ane Guard Plate

23. 13466-30 ane Rear Bearing Mount

24. 02178 iii 1/2"-xiiiUNCNylonInsertLocknut

25. 00085 4 1/2" Flatwasher

26. 00205 4 seven/16" Flatwasher

27. 02771 8 7/16"-14UNCNylonInsertLocknut

28. 13401 1 U-Joint(one-iii/8"-6Splinetoone-3/viii"-sixSpline)

29. 04073 i one/ii"-thirteen x 3" Hex Head Bolt (Gr.5)

thirty. 01254 2 one/2"-thirteen ten 1-i/two" Hex Caput Bolt (Gr.5)

31. 07276 ii Plexiglass Viewing Window

32. 07310 2 Rubber Window Seal

33. 11995-xxx ane Ladder

34. 12693 ane 550Undercarriage/Box(specifyRedorGreen)

- 12694 1 650Undercarriage/Boten(SpecifyRedorGreenish)

- 12695 i 750Undercarriage/Box(SpecifyRubyorDark-green)

35. 03159 2 Square Tube Cap

36. 09200-30 three Box Cantankerous Brace

37. 10909-xxx 1 Folding Pin

38. 00907 16 3/8"-16UNC101"HetenCaputBolt(Gr.5)

39. 01108-30 one Door Lift Aqueduct

forty. 09662-30 1 Lower Door

41. 02961 9 three/four"-10UNCNylonInsertLocknut

42. 00492 eight 3/four" Apartment Westasher

43. 05047 viii 3/iv"-tenUNCtentwo-1/2"HexHeadCommodities(Gr.five)

44. 5693-30 ane Door Elevator Assembly

45. 07412 2 one-1/4"-12UNFJamNut

46. 09198-30 one Folding Cylinder Mountain

47. 03738-95 two Cylinder Pin

48. 09930-30 ane 2-i/2" Hydraulic Cylinder

- 5584 - Hydraulic Cylinder Seal Repair Kit (not shown)

49. 01106-30 6 Box Washer

l. 12126 ane SMV Sign

51. 12468-30 ane SMV Sign Bracket

52. 07594 2 3/eight" x 1" Self Tapping Bolts

53. 09380-56 2 32" ten 21" Rim (650/750)

- 09381-56 2 32" x 27" Rim (650/750)

- 09174-56 2 26" x 20" Rim (550)

- 09175-56 2 32" x 21" Rim (550)

54. T24.5L 2 24.5" x 32" x 12 Ply Tire

- T30.5D ii thirty.5" x 32" x 12 Ply Tire

55. 07435 20 3/4"-16UNFLugNut

56. 09741-30 1 Adjustable Cylinder Finish

57. 11519-30 2 Ladder Mountain Peg (black)

58. 10525 ane three/4" x vi" Gr. viii Hex Caput Bolt

59. 02772 6 ane/4" Nylon Insert Locknut

60. 01076 6 1/4" x 3/iv" Hex Head Commodities

61. 10277 1 Electric Plug Holder

62. 10241 1 Operator Manual Canister

63. 12403-thirty 1 Hitch Receiver Channel

64. 12154 1 Safety Chain

Phistoric period xx

650 BUSHEL EXTENSION ASSEMBLY

REF. PArt

NO. NO. QTY. Description

Pleequallyeast order rdue eastplacement partsouthward by PART NO. and DESCRIPTION.

1. 11124-thirty i Left Extension

two. 11126-30 1 Rear Extension

3. 11123-30 1 Right Extension

4. 11125-thirty 1 Front Extension

five. 11180-30 1 Extension Cross Brace

6. 01263 54 5/16"-16UNC10iii/4"HexHeadBolt(Gr.five)

7. 02802 66 5/16"-16UNCNylonInsertLocknut

viii. 00004 38 five/xvi" Flat Washer

9. 13154-xxx viii Extension Hinge Middle

ten. 13153-30 four Extension Hinge Side

eleven. 13152-xxx 4 Extension Hinge Front/Rear

12. 13052 ane 3/8"UNCX1.25SlottedTrussHeadBolt

13. 02592 11 3/8"-xviUNCNylonInsertLocknut

xiv. 00059 1 3/viii" Flatwasher

xv. 04226 two iii/8"-sixteenUNC10ii"HexHeadBolt(Gr.5)

16. 02990 12 5/16"-16UNCTen1"HexHeadBolt(Gr.five)

17. 02769 8 3/eight" x 4" Hex Caput Bolt (Gr. v)

1two

16

i16

one7

1ix 1 9

1

112

ane14

13

1thirteen

xiii

13

17

1iv

iv

three

8

8

11

110

one6

1half dozen

ane6

16

7

7

7

1fifteen

1half dozen

16

18

1vi

16

16

18

1seven

1vii

aneseven

17

i6

ane8

1vi

18

i8

ane6

1viii

Phistoric period 21

750 BUSHEL EXTENSION ASSEMBLY

REF. PFine art

NO. NO. QTY. Description

Pleaseast order rdue eastplair-conditioningement parts by PART NO. and DESCRIPTION.

1. 11128-30 1 Left Extension

two. 11130-thirty one Rear Extension

iii. 11127-xxx 1 Correct Extension

iv. 11129-30 1 Front Extension

5. 11180-30 1 Extension Cantankerous Brace

half dozen. 00059 one 3/viii" Flat Washer

7. 02592 xi 3/8"-xviUNCNylonInsertLocknut

8. 13052 1 3/8"UNCX1.25SlottedTrussHeadBolt

9. 01263 54 v/xvi"-16UNCx3/4"HexHeadBolt(Gr.v)

10. 00004 38 5/sixteen" Flatwasher

11. 02802 66 5/16"-sixteenUNCNylonInsertLocknut

12. 13154-xxx 8 Extension Hinge Middle

thirteen. 13153-30 iv Extension Hinge Side

14. 13152-thirty 4 Extension Hinge Front/Rear

15. 04226 ii 3/8"-16UNCten2"HexHeadBolt(Gr.5)

16. 02990 12 five/16"-16UNCXi"HexHeadBolt(Gr.v)

17. 02769 eight three/viii"X4"HexHeadBolt(Gr.v)

i2

116

1

115 eight

16

17

ivii

aneseven

17

1iv

15

3

12

12

116

111

9

xi

17

1ix

1sixteen

xi

9

nine1 9

14

13

111

19

one10

110

1x

10

11

11

11

11

11

11

one9

110

110

10

1nine

1ten

110

19

19

iix

1ix

ane11

1eleven

111

110

Page 22

HYDRAULICS PARTS AND ASSEMBLY

15

11

11

5five

iv

3

2

1

10

5

6

6

REF. PART

NO. NO. QTY. Description

12

13

fourteen

Item #8 is on reverse

side of fittings within box

17

19

19 xx

18

16

sixteen

Pleevery biteast order reastplair-conditioningement parts by PART NO. and Clarification.

(Shown with optional Adjustable Hydraulic Discharge Chute)

1. 05198 2 Condom Coupler Cover (Black)

- 12677 2 Rubber Coupler Cover (Red)

- 12678 2 Rubber Coupler Cover (Yellow)

ii. 13888 - Replacement Hydraulic Quick Coupler

3. 13889 - Replacement O-Band

four. 09218-95 2 Hose Keeper (2 Hose)

5. 00914 4 three/8"-xviUNCxi-1/ii"HexHeadBolt(Gr.5)

6. 02592 4 three/eight"-16UNCNylonInsertLocknut

seven. 13883 - 1/2"x16'HydraulicHosew/QuickCoupler

eight. 05191 2 1/2" x 36" Hydraulic Hose (Non Shown)

9. 09172 2 three/viii"JIC(2X)BulkheadPlumbing equipmentElbow90°

x. 13882 2 three/8"MPT10#6JICElbFittingw/.041Orice

REF. PART

NO. NO. QTY. Clarification

4

5

6

nine

11. 09217-30 2 Hose Keeper (4 Hose)

12. 03547 2 5/16"-18UNCX2-1/4"HexCaputBolt(Gr.five)

thirteen. 02802 ii 5/xvi"-18UNCNylonInsertLocknut

xiv. 07582 1 Airplane pilot Operated Checone thousand Valve

15. 05192 2 1/4" 10 lx" Hydraulic Hose

16. 05243 4 Str. Hyd. Plumbing equipment due west/ O-Band

17. 09930-xxx 1 2-one/2" Cylinder

- 5584 - Hydraulic Cylinder Seal Repair Kit (not shown)

18. 13884 two ane/4"HydraulicHose,20'long

19. 13886 two 90°Elbow,6O-BandtenMale6JIC

xx. 12522-30 1 Hydraulic Cylinder

21. 09950 two FtgHydStr.563"M(2X)Spousal relationship

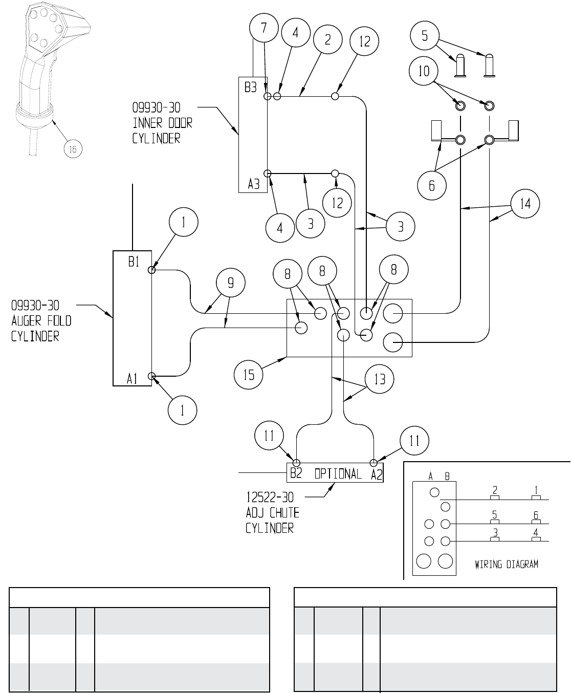
For Optional Pendant/ Hydraulic Block Schematic, Meet Page 23

vii

21

Phistoric period 23

OPTIONAL PENDAnt CONTROL HYDRAULIC SCHEMATIC

Pleasdue east order replair conditioningement partsouth past PART NO. and Clarification.

REF. PART

NO. NO. QTY. DESCRIPTION

ten. 13891 ii Replacement O-Ring

eleven. 13886 2 90°ElbowHyd.Fittingw/O-Ring

12. 12374 two BulkheadHydraulicPlumbing fixtures,45°

xiii. 13884 ii one/four" x 420" Hydraulic Hose

14. 13885 2 1/2"xxvi'HydraulicHose

15. 13064 ane Hydraulic Blocg w/ wiring Harness

16. 13063 1 Pendant Controller

- 13566 - 12'Ext.PendantControllerCable(Optional)

REF. PArt

NO. NO. QTY. Description

one. 13882 2 three/8"MPTx#half dozenJICElbowestDue west/.041Orice

2. 05190 1 1/4" x 48" Hydraulic Hose

3. 05191 3 one/4" x 36" Hydraulic Hose

4. 05195 two Str. Hyd. Fitting, .375 MPT

5. 13890 2 Replacement Hydraulic Quick Coupler

6. 05198 2 Prophylactic Coupler Cover (Black)

seven. 05215 1 3/8" MPT x 3/8" FPT Elbow Plumbing equipment

viii. 05243 6 Str. Hyd. Fitting w/ O-Ring

9. 05840 2 1/4" 10 84" Hydraulic Hose

A

REV.

ECN #

DATE

DFTM

A

4407

1/7/2010

MJ

01/07/ten

04/25/08

MJ

NM

DATE

DATE

4010 320TH ST. PO BOX 189

BOYDEN, IOWA 51234

THE Drawing AND ALL

Data There

ON ARE THE PROPERTY OF

DEMCO

TOLERANCES

13063

DRAWN Past

ENG APPOV.

DESCRIPTION

DRAWING. NO.

REV

SCALE: i:ii

SHEET one OF 1

A

PENDANT FOR GRAIN CART

.10 =

.060 MIN. MACHINE SUFACE 250

.20 = ±.030 BREAK ALL SHARP EDGES

.XXX = ±.010 Curve AND DRAFT

±ane°

UNLESS OTHERWISE

SPECIFIEDALL DIMENSIONS

ARE IN INCHES

THIRD ANGLE

PROJECTION

Phistoric period 24

two

ii

aneane

ane

3

3

LIGHTING PARTS AND ASSEMBLY

half dozen

7

four

Amber

Turn/Flasher

Cherry-red

Mark

Amber

Turn/Flasher

To Auger Light

INSTALLING THE Low-cal KIT

1. Brainstorm by inserting a Low-cal Mounting Grommet (#1) into

each mounting pigsty. After connecting the wire harness to

the lights every bit shown in the schematic, press Ruby-red Lite (#3)

and Bister Calorie-free (#2) until they are securely mounted in the

grommets.

2. Proceed wiring the lights as shown in the drawing and the

wiring schematic.

3. When connecting the wire harness (#five) to the forepart (male person

tractor) plug (#4) follow the wire schematic as follows: Brownish

wire to the Red braking marker lights, Yellow wire to the left

turning marker light, Green wire to the right turning marker

low-cal, and White wire to the ground. Continue wiring the lights

as shown in the drawing and the wiring schematic.

5

NOTE : Connect the wires to the tractor plug in, make sure all

lights are in correct working order. When working correctly

behind a tractor the bister lights are the flashing alert

lights, and the turn signals.

(Left)

Yellow Ring

(Right)

Green Band

Brown

1. 05447 4 four" Light Grommet

two. 05260 2 4" Bister Light

iii. 05446 two iv" Ruby Light

4. 07416 1 7-Way Male Plug Connector

5. 09149 i Wiring Harness

half-dozen. 07278 two Conspicuity Tape

REF. PFine art

NO. NO. QTY. Description

6

half dozen

Pleasdue east order replair-conditioningement parts by PArt NO. and Clarification.

Painted Parts are available in Red or Dark-green. Add together -ten behind the

function number for cherry and -20 behind the function number for greenish.

WHITE

(Ground) BROWN

OR

BLACK

(TAILLIGHT)

GREEN

(RIGHT BLINKER)

GRAIN CART

WIRING DIAGRAM

Forepart OF PLUG

YELLOWestward

(LEFT BLINKER)

RED

(AUGER Light)

HOT

Plug pin location may vary

depending on tractor.

Phistoric period 25

SCALE Selection PARTS BREAKDOWN

REF. PART

NO. NO. QTY. Clarification

Pleaseastward order reastwardplair-conditioningement partsouth by PFine art NO. and DESCRIPTION.

1

2

iii

4

5

6

vii

viii

ix

eleven

10

12

For Parts Breakdown of all other

Hub and beam parts see page 15

1. 09686 2 Spindle Insert (550 Bu.)

- 09410 2 Spindle Insert (650-750 Bu.)

ii. 12261 ii Spindledue west/25'WireHarness(550Bu.)

- 12260 2 Spindlew/21'WireHarness(650-750Bu.)

3. 09690 2 Grease Seal (550 Bu.)

- 09442 2 Grease Seal (650-750 Bu.)

iv. 09414-95 ane Rear Hitch Scale Pin

v. 09411 1 Hitch Insert

6. 12262 1 HitchScalewest/10'WireHarness

7. 09413-95 i Front Hitch Calibration Pivot

8. 00116 2 v/32" x i-1/two" Cotter Pin

ix. 12428-30 i Hitch Assembly, scale

10. 09441 1 8'PowerCordHarness

11. 12258 i 640M Scale Monitor

- 12259 ane 640M Scale Monitor With Printer Port

- 11188 i Printer

- 11187 1 Printer Cable

12. 09440 one Monitor Mounting Bracket for 640M

13. 12257 1 JunctionBoxfor640MScaleUnit of measurement

14. 12264 one 25'WireHarness(JunctionBoxtoConsole) 

xv. 09157-30 1 Hitch Mount Pivot Collar

xvi. 11698 1 7/8"-ix NC x 5 one/2" Hex Caput Bolt (Gr. 8)

17. 10678 1 7/8"-9 NC Nylon Insert Locknut

13

fourteen

xvi

15

17

Front View of

Junction Box

From the

Westwardeighbars

To the

Tractor

Page 26

1. 13399 1 PTO Shaft (1.38"-21 Spline) Complete

-. 13398 1 PTO Shaft (1.75"-20 Spline) Complete

2. 13441 1 Tractor Half But - 1.38"-21 Spline

-. 13440 1 Tractor Half Just - 1.75"-twenty Spline

3. 13541 one Outer Guard Kit, Replacement Simply

four. 13542 1 Inner Guard Kit, Replacement Only

5. 13522 i Tapered Lock Pin, Replacement Only

PTO DRIVE SHAFT PARTS BREAKDOWN

REF. PART

NO. NO. QTY. Clarification

Please order reastwardplacement partsouth by PArt NO. and DESCRIPTION.

3

two

four

v

1

Check the PTO overlap length. Try to

obtain the greatest possible overlap without

bottoming out the PTO shaft in its maximum

operating condition. Make sure dradue west bar

length and PTO telescoping limits are

acceptable for uneven terrain, gullies, levees,

etc.

1. Maximum Operating Length Lb

Maximum operating length should non

exist more the half of telescoping fellow member

length (Pu ).

two. Maximum Joint Angles (B1 & C2)

Practice not exceed normal operation joint

angleof25°

Ensure equal joint angles and switch

off PTO if articulation angles are also big

and/or unequal.

iii. Lubrication

Lubricate before starting work and

efiveery eight hours of performance.

4. PleasereferthePTOManufacture's

Manual, which is located in the

manual holder for further details

regarding usage, service and

lubrication grease locations.

Phistoric period 27

REF. PART

NO. NO. QTY. DESCRIPTION

Please order rdue eastplacement parts past PART NO. and Clarification.

5

1

two

3

4

half-dozen

vii

89

4

10

11

12

thirteen,16*

11

14*

10

HYDRAULIC DRIVE ASSEMBLY

Functioning

• Make certain the hydraulic motor is continued to the

 tractor'due southpriorityport.

• Forinstructionsontheperformanceofthegrainautot

encounter page 19.

*NOTE: Hydraulic motor has a capacity

of 15-25 gallons per minute. For optimum

motor speed, 25 GPM oil flow required.

15*

i. 05198 ii Rubber Coupler Cover

2. 05197 two Quick Coupler (1/two" FPT with male tip)

3. 09867 ii Hydraulic Hose

iv. 02178 eight 1/two"-13UNCNylonInsertLocknut

v. 09865 2 Hydraulic O-Ring Fitting

six. 13783 ane Hydraulic Motor Westward/ Gey

7. 09842 ane Replacement Keystock

eight. 13617-30 one Shaft Coupler w/ 1/iv x one/4" Set up Screws

nine. 09841-30 ane Motor Mount Bracket

x. 03647 ii Molded Condom Bumper

eleven. 05290 4 1/2"-13UNCx3-1/4"CommoditiesGr.five)

12. 01253 four 1/two"-13UNCx2-0"Bolt(Gr.5)

xiii. 13784 1 Hydraulic Motor Mount Blocchiliad (Includes *)

14*. 13794 - Replacement O-Ring

15*. 13793 - Replacement Cap Screw 2-3/4"

16*. 13792 - Cheque Valve

Page 28

WINDOWest INSTALLATION

Window

Gravity Box

Locking Tab

Window

Gravity Bo10

Inside of Box

Locking Tab in

Closed Position

INSTALLATION PROCEDURE

The installation must be practisene from inside

the box.

ane. Place rubber molding in opening. Seam

should begin on side of opening.

ii. Remove the protectifivee sheeting from both

sides of the plastic window.

3.Slidewindowintogrooveinmolding.Utilise

a flat blade screwdriver to get molding

seatedcorrectly.Usingsoapyh2ovolition

aid in installation

four.Usingtheatbladescrewdriver,pressin

the locking tab.

Rubber Seal

Inside of Bo10

iv

v

eleven

viiivii 6

3

2

Kit # 5693-30

one10

9

12

5693-30 Door Elevator Assembly

ane. 00907 ane iii/viii"-16UNCxi"HexHeadBolt(Gr.5)

two. 02592 3 3/8"-sixteenUNCNylonInsertLocknut

3. 00059 3 3/8" Apartment Washer

4. 01112-30 ane Door Elevator Cycle

5. 11415-30 1 Door Elevator Bicycle Mount

vi. 01113 one two" O.D. x 3/eight" I.D. Washer

7. 05364 1 one-ane/iv" O.D. 3/4" I.D. Bushing

viii. 05363 one 3/iv" O.D. ten three/viii" I.D. Bushing

9. 02207 1 3/8"-16UNCx3"He10HeadCommodities(Gr.5)

10. 01243-thirty 1 Roller Blade Bracket

11. 01332 1 9 Tooth Sprocket

12. 02849 1 5/16" 10 one-3/8" Whorl Pivot

13. 00004 2 v/sixteen" Flatwasher

14. 00523 1 3/8-16UNC10ione/4"HexHeadBolt(Gr.five)

15. 04642 1 ane/4" Grease Zerk

16. 11412-30 1 Latch

17. 11414 1 Latch Bushing

REF. PART

NO. NO. QTY. DESCRIPTION

2

Pleaseast order reastplair-conditioningement parts by PFine art NO. and Description.

Door Lift Assembly Parts Breakdown

3

15

14

16

17

13

Phistoric period 29

1two 3

iv

5

6

7

8

910

11

Reference northwardumbers # one -# 3 -# 6 Are U-Joints -- Check and grease regularly.

Reference number # 2 - Is a Telescoping P.T.O. Shaft with two slots in housing -- Fully extend P.T.O. Shaft,

then place one or two pumps of grease in each slot.

Reference numbers #4 -# 5 Are fixed self centering sealed bearings -- Do not over grease sealed bearings.

Reference number #7 - Auger gear boten is filled with 80-ninety gear lube -- To check thousandear box find inspection allen

plug. Turn out plug 1000ear lube should just offset to run out. If depression fill until gear lube just starts to run out .

DO NOT OVER FILL!!! When gear box is full be sure to replace inspection plug.

Reference number # eight - Is a bushing for the turn handle of the door lift assembly -- Inspect and grease every bit

needed.

Reference due northumbers # 9 - #11 - Are fixed sealed begetting -- Practise non over grease sealed bearings.

Reference number #10 - Is the swivel for the outer tube. There is one zerk in this area -- Audit and

grease as needed.

Reference number # 12 - Is the beam hub with inner and outer bearings and race -- Inspect regularly, pack

bearing and replace inner wheel seal as needed.

NOTE. Grease all zerks before each use or when needed with a good quality lubricant.

Do Not over grease sealed bearings. Over greasing sealed bearing will

damage seals. Once a flavor is more often than not sufficient.

GREASE & LUBE

12

Page 30

Note: Inspection of lube lefiveel must be per-

formed on a hard, level surface with both

tires inflated to the proper pressure and the

natural language equally le5el equally possible.

On the left side of the grain cart, locate the

mounting brackets for the gear box. At that place is an

admission pigsty for the oil level inspection ALLEN

plug. Removeastward plug. If lube runs out of the hole,

the level is sufficient. If lube does not run out,

there is a matching pigsty and plug on the opposite

side of the gear boten for filling. Fill with a standard

80/ninety gear lube until lube just starts to run out of

inspection hole.

Lube level allen inspection plug

Bleed plug

Instructions

REF. PART

NO. NO. QTY. DESCRIPTION

1. 04642 4 1/4" Self Tapping Grease Zerk

2. 11771-30 one Inner Door

3. 09203 2 Slide Rod

Pleaseast order replacement partdue south by PArt NO. and DESCRIPTION.

To insure proper operation of inner door,

these steps must be followed and proper

maintenance must be performed.

one. Run the inner door (#2) fully open and disconnect

hydraulic lines to the grown cart.

2. Grease bushings on door and apply a generous coat of

grease to the slide rods (#iii).

3. Reconnect hydraulics and run door closed and openorthward

again.

4. Disconnect hydraulic lines to the grain automobilet again and

reapply grease to the bushings and slide runway.

v. Reconnect hydraulics and run the door closed and

open five times. Checone thousand to make sure slide rails are fully

coated with grease and door operated smoothly.

6. Check and grease the zerks and slide rails AlwaysY 20

HOURSAND/ORANNUALLY.

7. Makeastward sure slide rails have a generothe states coating of grease

before and after long periods of storage. Always shop

cart with inner door fully open and follow maintenance

procedures listed on pages 26 and 27 of the manual.

1

1

1

12

3

3

Decal AG21100 is located on

the front of the grain cart

INNER DOOR MAINTENANCE/

LUBE INSTRUCTIONS

LUBE INSTRUCTIONS FOR GEAR BOX

Page 31

Downtime in the fields caused by field breakdowns is costly and time consuming. Many

breakdowns can exist eliminated by periodic equipment maintenance. By spending a little

time running over this checklist, following proper after-flavor care, you tin salve time and

money afterward.

Before Going To The Field :

1. HYDRAULIC HOSES

Check all hoses for worn or soft spots.

Checyard to brand sure hoses are non kinked

or pinched.

Checone thousand for leakage in whatever of the lines and

cylinders.

2. REPLACEMENT PARTS

Supercede all worn or damaged parts.

3. VISUALLY INSPECT

Audit tires for cracks and worn spots.

Inspect inside of Grain Motorcart, make certain that

all guards are in place and in skilful shape.

Be sure auger is free from whatsoever obstructions.

Inspect for whatever loose bolts, worn parts, or

cracked welds, and makeastward any necessary

repairs.

Later on Season Care:

Open up inner slide gate and outer door to allow

box to drain.

Meep auger folded bacchiliad during storage.

Grease all zerk locations.

Repack cycle bearings before storage.

Inspect tires for puncture, holes or any other

blazon of leak and repair equally needed.

WARNING: To Prevent Serious Injury Or Expiry

Make sure ALL guards and shields are in place.

Go on hands, anxiety, and loose clothing away from rotating parts.

iv. Cheque

• Tires for proper inflation.

• Lugnutsforpropertorque.

• Lightsforproperoperation.

• Oillevelingearboten.

• Zerklocations,andgreaseevery bitneeded.

• Allguardsandshields.Replaceorrepair

if necessary to insure proper protection.

GRAIN CarT CHECKLIST:

Tire Inflation Chart

 GRAINCARTAPPLICATION TIRESIZE PLY MAXIMUMTIREPSI.

550 Diamond Tire 23.one 10 26 12 32 psi.

550 Bushel Lug Tire 24.five ten 32 12 32 psi.

550 Bushel Diamond Tire 24.5 x 32 12 32 psi.

650-750 Bushel Lug Tire 24.5 x 32 12 32 psi.

650-750 Bushel Diamond Tire 24.five ten 32 12 32 psi.

650-750 Bushel Lug Tire xxx.5 x 32 12 26 psi.

650-750 Bushel Diamond Tire 30.v x 32 12 26 psi.

Duals 650-750 Lug Tire 18.iv x 38 viii 26 psi.

Page 32

P.O. BOTen 189

4010 320th St., BOYDEN, IA. 51234

PH: (712) 725-2311

FAX: (712) 725-2380

TOLL Complimentary: i-800-54DEMCO (ane-800-543-3626)

www.demco-products.com

mahoneydeass1966.blogspot.com

Source: https://usermanual.wiki/Document/Demco550650750graincart.1223791594/html

0 Response to "Demco Templates Disc Hubs Remove Circle Drawing"

Post a Comment

Iklan Atas Artikel

Iklan Tengah Artikel 1

Iklan Tengah Artikel 2

Iklan Bawah Artikel